Serial Debug Connection
In addition to its Debug USB port, AI Node exposes two serial interfaces. One of the serial interfaces is configured as debug console and can be used to log into the device and acquire shell access.
To get started, you will need AI Node Adapter Board (item 830-00024) as well as IO Cable (item 115-00037) both of which are available in AI Node Eval Kit.
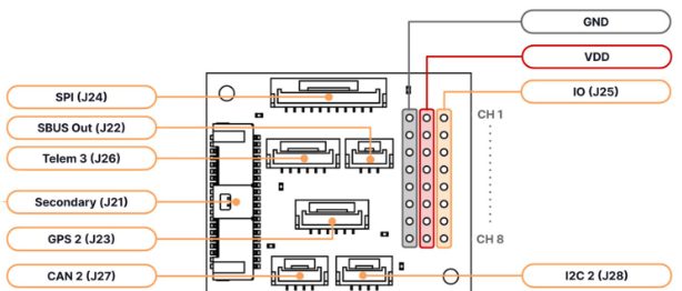
Connect the adapter board to AI Node IO Connector which is indicated in the image below, using the IO Cable.

Detailed PinOut of IO port can be found in AI Node Interfaces. The PinOut of AI Node Adapter board is matching PinOut of secondary/bottom board of Pixhawk Adapter Board for Skynode:

The two accessible serial ports are:
UART1
/dev/ttyTHS0
GPS2
No
UART2
/dev/ttyTCU0
TELEM3
Shell Access
The debug port is configured to baudrate of 115200. Username is root,
password auterion
.
Last updated